等离子体危废处理实验系统
案例详情

客户名称:重庆某高校


(a)等离子体危废处理实验系统实物图


(b)等离子体危废处理原理图

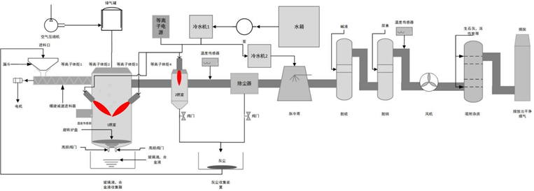
等离子体危废处理系统原理如图所示,利用等离子体的高温将危废裂解。等离子体裂解处理过程可以分为,加热阶段、升温阶段、裂解阶段和焦灰的后燃烧阶段。在等离子体处理系统中,危废投放到第一裂解室的等离子体中,在不低于1200℃3000℃的高温中被等离子体裂解,分子键裂解成基本原子结构,高熔点的金属氧化物经还原反应被熔化,低沸点的物质被气化、裂解,99.9%的二恶英类的物质能被完全裂解。在此高温中病源微生物等被彻底消灭,被气化及分解出来的气体进入第二裂解室进行再次裂解,彻底消除气体中夹带的飞灰,烟气排出后采用急冷技术使烟气在0.2秒内急速冷却到400℃以下,从而跃过二恶英易生成的温度区后进入尾气处理系统。最后,无机物有害成分在高温下处理成为无害、无毒、无放射性的玻璃体,有效地起到了防止污染的作用。

系统参数:

系统功率:

30kW

注:可根据需求做系统放大

工作模式

DC恒流输出,100-200A可调。

输入模式:

三相五线制。AC330--480V宽电压输入

电源转换效率:

>90%

输出模式:

双极直流正负相输出

输出电压:

DC 0--200V

处理量:

100kg/

免责声明:本站部分资讯和图片源于网络与网友投稿,若有版权问题请联系客服我们将尽快处理
公司简介
名片二维码
为客户提供定制化层/湍流等离子体成套装备解决方案、等离子体淬火成套装备解决方案、等离子体材料制备成套装备解决方案,并辐射专用机械装备定制化解决方案、自动化技术及装备解决方案、专用机械装备优化设计解决方案。
快速链接
联系我们
重庆四态益联科技有限责任公司
182-0282-2945
183-9872-2185
重庆市璧山区璧泉街道东林大道92号
邮箱地址
为了方便您随时了解我们,请留下您的电话号码
Copyright ©2023 重庆四态益联科技有限责任公司
本公司严格保证客服的隐私安全
备案号:渝ICP备2023005243号-1
云计算支持 反馈 枢纽云管理